SkyBlueTooth

[Introducción]

[Características]

[Autor]

[Licencia]

[Componentes]

[Puertos]

[Jumpers]

[Documentos]

[Download]

[Links]

[Noticias]



Introducción

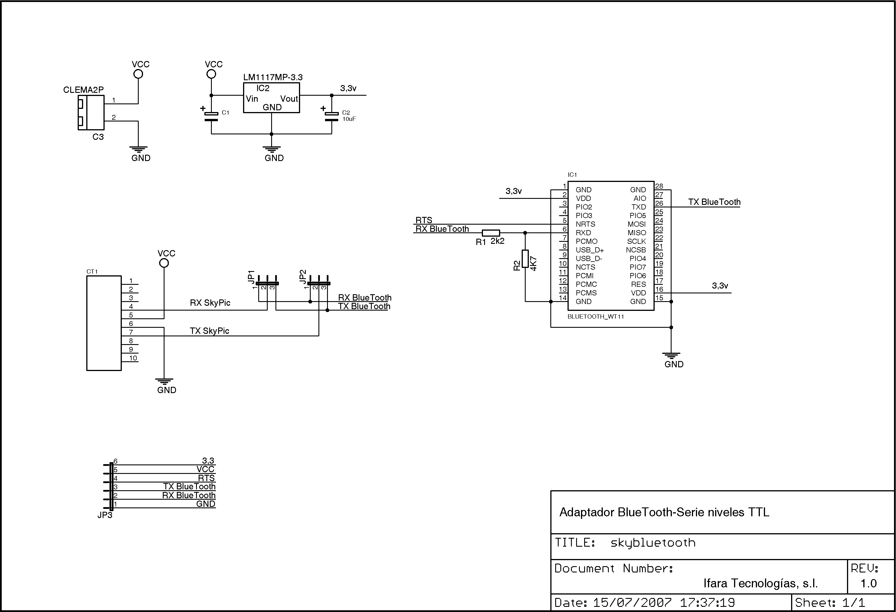
La tarjeta SkyBlueTooth es un conversor de BlueTooth a una UART con niveles TTL de 5 voltios. Es una tarjeta compatible con la tarjeta SkyPic tanto a nivel de señales de datos como alimentación, ya que la skyBlueTooth tiene un conversor DC-DC integrado para alimentar el módulo BlueTooth.
Con esta tarjeta seremos capaces de manejar cualquier tarjeta con interfaz de comunicaciones serie mediente BlueTooth.


Características


Autor


Licencia

La tarjeta SkyBlueTooth es HARDWARE LIBRE y tiene una licencia GPL (o lo mas parecido pero en versión Hardware). Esto quiere decir que se distribuye junto con TODOS sus esquemas (esquemáticos, rutado y ficheros de fabricación). Cualquiera tiene derecho a fabricarla, copiarla, modificarla, distribuirla o venderla siempre y cuando vaya acompañada de TODOS los esquemas.


Disposición de Componentes


Puertos

Puerto Serie CT1 Señal
1 ---
2 ---
3 ---
4 Rx SkyPic
5 VCC
6 GND
7 Tx SkyPic
8 ---
9 ---
10 ---
 
Puerto Serie JP3 Señal
1 GND
2 Rx BlueTooth
3 Tx BlueTooth
4 RTS
5 VCC +5v
6 +3,3v


Jumpers

Con los jumpers JP1 y JP2 podemos intercambiar las señales de transmisión y recepción del módulo BlueTooth en el conector de bus CT1.

JP1 Función
1-2 Pin 4 CT1 = RX BlueTooth
2-3 Pin 4 CT1 = Tx BlueTooth
 
JP2 Función
1-2 Pin 7 CT1 = Rx BlueTooth
2-3 Pin 7 CT1 = Tx BlueTooth


Documentos

Documentación

Datasheet del módulo BlueTooth WT11

Download

Descarga de ficheros

skybluetooth.zip Esquemático de la placa en formato EAGLE
skybluetooth.pdf Esquemático de la placa en PDF
skybluetooth.bmp Esquemático de la placa en formato BMP



Links


Noticias


Ricardo Gómez González
Se conceden permisos para copiar, distribuir y modificar la información contenida en esta página, siempre y cuando se mantenga esta nota

IEAROBOTICS